📅 15. 2. 2026   •   🟢 Přidali jsme nové fotky z Uzlové štafety (Stříbrná Lhota)   •   🔧 Na vzhledu stránek stále pracujeme 😎💪

Požární útok

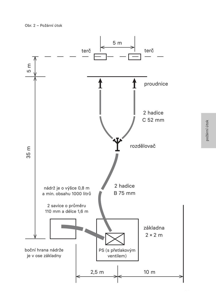
Požární útok provádí sedmičlenné družstvo. Úkolem je sestavení přívodního, dopravního a útočného vedení, kterým je dopravena voda od kádě až k terčům. Přívodní vedení je tvořeno sacím košem a dvěma savicemi. Od motorové stříkačky pokračuje dopravní vedení složené ze dvou hadic B a rozdělovače. Útočné vedení představují dva páry hadic C a dvě proudnice. Stříká se na plechovky, většinou ale na nástřikové terče. Kategorie mladších má dospělého strojníka a sešroubované savice.

nakres pozarniho utoku nakres pozarniho utoku